Dichroica LED 6W 100 ° GU10 - Osram Chip Duris E 2835
€1.34
Are you a professional? Sign up and enjoy special conditions. Learn more
Effectively eliminates the small tense tension loads that cause LED luminaires to light or blink when the electric circuit is off. This device absorbs by capacitor the residue tension residue that reaches the lamps.
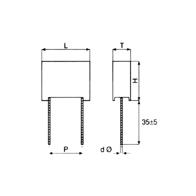
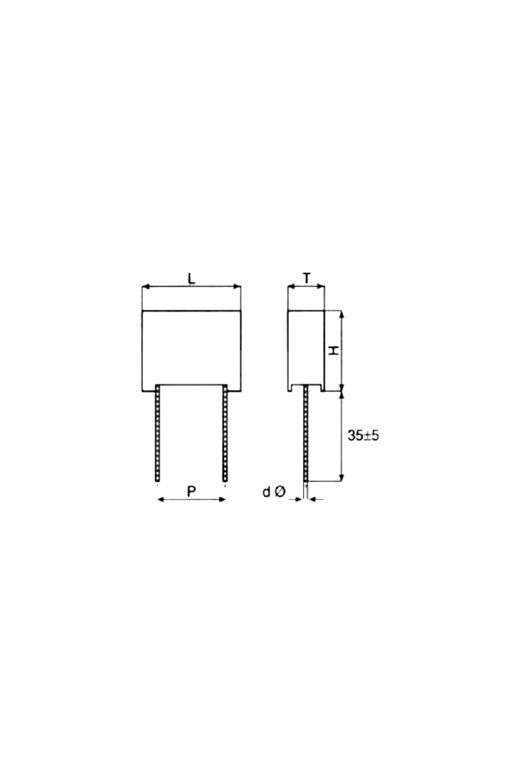
| REFERENCE | 1007 |
|---|---|
| Nominal voltage | 250V-310V 470NF |
| Construction material | Polypropylene Film + Aluminum + Epoxy Resin |
| Certificates | CE - RoHS |
| Measures (mm) | H100mm |
| Work frequency (Hz) | 50 / 60hz |
| Temperature range (ºC) | -20º + 100º |
| Additional information | Train Range: From 0.01 μF to 2.2 μF Peak Press: 2.5 KV. |
| Guarantee years | 2 |