KIT Antiparpadeo LED

0,80 €
Impuestos no incluidos
Ref. 1007
Disponibles 412 Artículos

¿Eres Profesional? Date de alta y disfruta de condiciones especiales. Más información

DOCUMENTOS

  • Precio Mínimo Garantizado
  • Envío Gratis desde 299 €
  • Métodos de pago 100 % Seguros
  • Hasta 5 años de Garantía

Elimina de manera eficaz las pequeñas cargas de tensión sobrantes que hacen que las luminarias led se enciendan o parpadeen estando el circuito eléctrico apagado. Este dispositivo absorbe mediante el capacitor el residuo de tensión sobrante que llega a las lámparas.

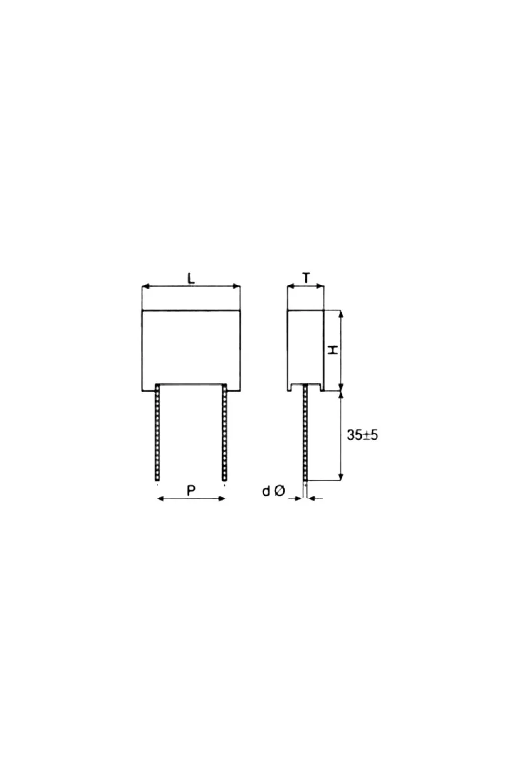
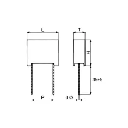
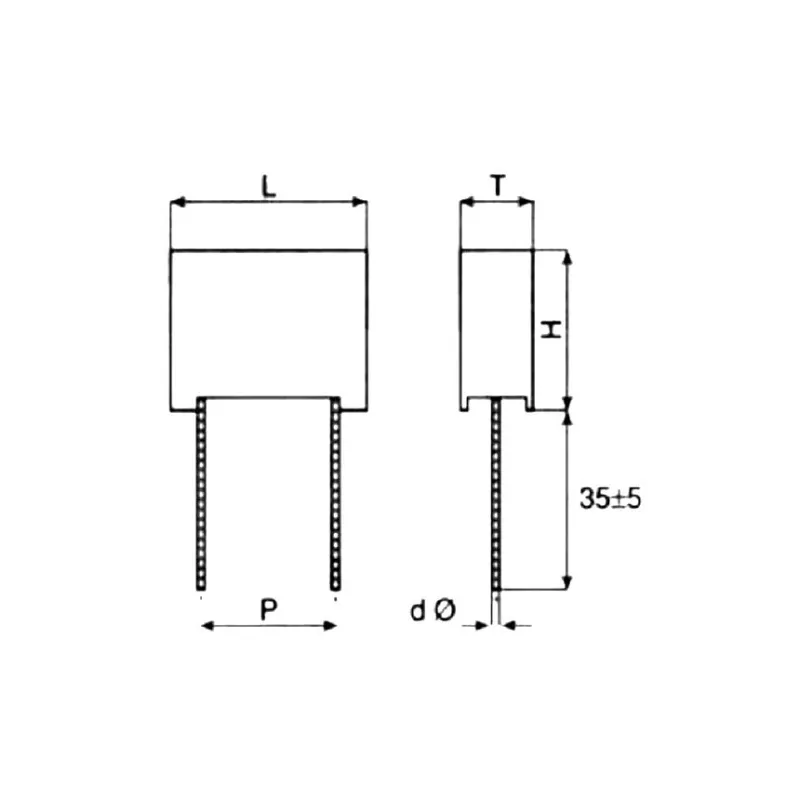
REFERENCIA 1007
Tensión Nominal 250V-310V 470nF
Material de Construcción Polypropylene film + Aluminium + Epoxy resin
Certificados CE - ROHS
Medidas (mm) H100mm
Frecuencia de Trabajo (Hz) 50/60Hz
Rango Temperatura (ºC) -20º + 100º
Información Adicional Capacite Range: From 0.01 µF to 2.2 µF Peak Pulse: 2.5 Kv.
Garantía años 2
Comprar KIT Antiparpadeo LED
  • Precio Mínimo Garantizado
  • Envío Gratis desde 299 €
  • Métodos de pago 100 % Seguros
  • Hasta 5 años de Garantía